Pósters: Facultad de Ingeniería en Electricidad y Computación

Ingeniería en Electricidad
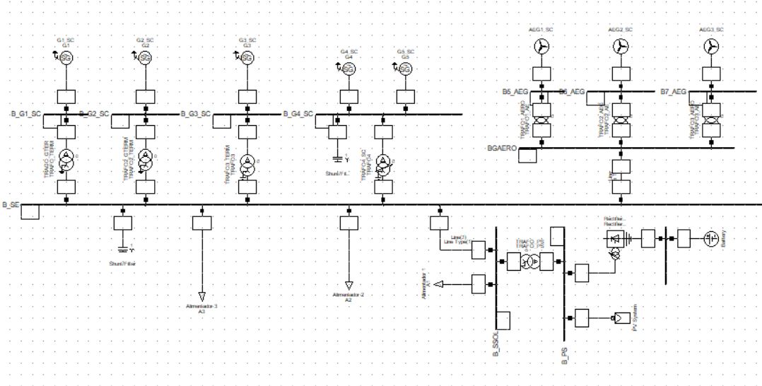
Generación de energía reactiva a partir de BESS (Batery Energy Storage Systems)
Michell Cristina Lazo Baque, Rosalinda Michelle Argudo Palomino
micclazo@espol.edu.ec, rargudo@espol.edu.ec

Ingeniería en Electricidad
Gestión de demanda para el sistema de carga de vehículos eléctricos en la ciudad de Guayaquil
Kevin Rolando Jaramillo Ochoa | Joshua Luis Martillo Granados
kevrojar@espol.edu.ec, joslmart@espol.edu.ec

Ingeniería en Electricidad
Optimización del dimensionamiento de sistemas fotovoltaicos conectados a la red para el sector industrial como herramienta de ahorro energético.
Álvaro Daniel Ortiz Mosquera, Johnny Daniel Veloz Rodríguez
adortiz@espol.edu.ec, jdveloz@espol.edu.ec

Ingeniería en Electricidad
Propuesta de diseño tarifario para micro-red en Galapagos para optimizar el impacto del consumidor
Yaritza Maribel Ortega Anzules, Fabiola Eugenia Urgilés Lucas
ymortega@espol.edu.ec, fabeurgi@espol.edu.ec

Ingeniería en Electricidad
Regulación de frecuencia en micro redes eléctricas en operación aislada.
Marlon Diego Ojeda Suarez, Marcos Joel Vera Tumbaco
mdojeda@espol.edu.ec, marvera@espol.edu.ec

Ingeniería en Electrónica y Automatización
Análisis de sistemas eléctricos de potencia empleando el software Digsilent Power Factory
Briggitte Melissa Briones Morante, Bethzabeth Edith Pincay Quimi
bmbrione@espol.edu.ec, bepincay@espol.edu.ec
Ingeniería en Electrónica y Automatización
Desarrollo de un sistema de monitoreo y control de un proceso industrial simulado, integrando los datos en la nube en tiempo real con proyección a la Industria 4.0
Oscar David Caranqui Guamán, Jefferson Andrés Moreira Davalos
osdacara@espol.edu.ec, jefamore@espol.edu.ec

Ingeniería en Electrónica y Automatización
Diseño conceptual de un sistema de bombeo de alta eficiencia, para reemplazo del bombeo existente por motor de combustión para un vivero ubicado en la comuna ‘Dos Mangas’.
Juan André Moreno Lucio, Winellys Nora Naranjo Rosales
wnnaranj@espol.edu.ec, juanmore@espol.edu.ec

Ingeniería en Electrónica y Automatización
Diseño conceptual de un sistema para la supervisión inteligente en industria camaronera ecuatoriana
María Fernanda Mora Granda
marfmora@espol.edu.ec

Ingeniería en Electrónica y Automatización
Diseño conceptual para el reemplazo de motores de combustión interna a eléctrico en vehículos livianos
Edison Jair Alvarado Saraguayo, George Raúl Lucas Loor
grlucas@espol.edu.ec, ejalvara@espol.edu.ec