Pósters: Facultad de Ciencias Naturales y Matemáticas
Ingeniería Química
Extracción mejorada de metabolitos con potencial farmacológico en enfermedades de alto impacto social a partir de Momordica charantia
Anny Melina Valle Chóez, Lisseth Yuliana Ordoñez Buele
ODS asociados:

Ingeniería Química
Mejoramiento de un bioinsumo agrícola a base de Acanthophora spicifera y Bacillus subtilis para la producción sostenible de fertilizantes ecológicos
Joey Nicole Moncayo Alarcón, María Cecilia Arteaga Pino
ODS asociados:

Ingeniería Química
Optimización de la producción de la violaceína a partir de la pseudoalteromona luteoviolacea
Cristian Eduardo Arreaga Guaman, Patricio Gabriel Arias Barzallo
ODS asociados:

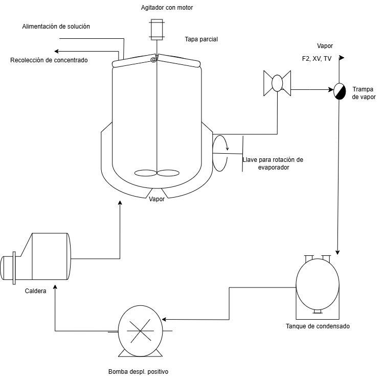
Ingeniería Química
Optimización del tiempo de operación de un evaporador de marmita para la concentración de saborizantes en una industria de cereales
Mario René Tocagón Cabascango, Ayrton Augusto Larrea Rodríguez
ODS asociados:

Ingeniería Química
Reducción del hollín generado en la combustión incompleta de un recubrimiento poliéster en el curado de envases metálicos alimenticios mediante el estudio de la variación de temperatura en el incinerador
Ivonne Juliette Pazmiño Piedra, Allison Annabell Villafuerte Rivera
ODS asociados:
Ingeniería Química
Valorización de la borra de café para su aprovechamiento en la formulación de un producto cosmético a escala laboratorio
Renata Karina Chapelín Mora, Melanie Alexandra Chóez Rodríguez
ODS asociados:

Matemática
Clasificación automatizada de toses para diagnóstico de COVID-19 usando redes neuronales convolucionales
Joel Alberto Castro Muñoz
ODS asociados:

Matemática
Identificación de puntos calientes mediante análisis multivariante y geoespacial de extorsiones en la ciudad Guayaquil empleando aprendizaje automático
Pedro Joel Luzuriaga Cedeño, Oscar Antonio Scott Macías
ODS asociados:
- « primero
- ‹ anterior
- 1
- 2
- 3
- 4